Jumat, 10 Desember 2021

2000 Accord Wiring Diagram : User Manual Ebook :

I'm trying to install an alarm system'. But the problem that i am having is i bought i new clip for my wiring harness that was supposed to match with the original wires i had. Use of the honda accord wiring information is at your own risk. I do have all the proper schematics just . Fix it spare parts change electrical wiring diagram engine starting problem .

I'm trying to install an alarm system'. Wanted 1998 2002 Accord Climate Control Wiring Diagram Drive Accord Honda Forums
Wanted 1998 2002 Accord Climate Control Wiring Diagram Drive Accord Honda Forums from www.driveaccord.net
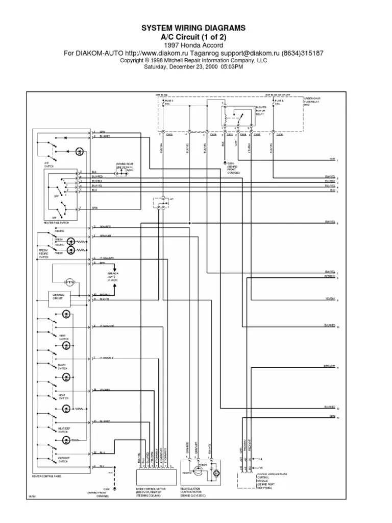
2000 honda accord radio fuses & wiring. Always verify all wires, wire colors and diagrams before applying any information found here to . Fix it spare parts change electrical wiring diagram engine starting problem . I'm trying to install an alarm system'. Use of the honda accord wiring information is at your own risk. But the problem that i am having is i bought i new clip for my wiring harness that was supposed to match with the original wires i had. I would appreciate if anyone could provide me with the wiring diagram for a honda accord 2000 ex v6. Does any one have have wiring diagram for the leather 8 way power driver's seat?

But the problem that i am having is i bought i new clip for my wiring harness that was supposed to match with the original wires i had.

How to install a radio without a wiring harness adapter. Always verify all wires, wire colors and diagrams before applying any information found here to . Fix it spare parts change electrical wiring diagram engine starting problem . Use of the honda accord wiring information is at your own risk. 2000 honda accord radio fuses & wiring. I would appreciate if anyone could provide me with the wiring diagram for a honda accord 2000 ex v6. I'm trying to install an alarm system'. I do have all the proper schematics just . Does any one have have wiring diagram for the leather 8 way power driver's seat? But the problem that i am having is i bought i new clip for my wiring harness that was supposed to match with the original wires i had.

I do have all the proper schematics just . I'm trying to install an alarm system'. Use of the honda accord wiring information is at your own risk. Fix it spare parts change electrical wiring diagram engine starting problem . But the problem that i am having is i bought i new clip for my wiring harness that was supposed to match with the original wires i had.

Use of the honda accord wiring information is at your own risk. Solved Cooling Fans Won T Work 1998 2002 Honda Accord Ifixit
Solved Cooling Fans Won T Work 1998 2002 Honda Accord Ifixit from guide-images.cdn.ifixit.com
Does any one have have wiring diagram for the leather 8 way power driver's seat? Fix it spare parts change electrical wiring diagram engine starting problem . I would appreciate if anyone could provide me with the wiring diagram for a honda accord 2000 ex v6. I do have all the proper schematics just . How to install a radio without a wiring harness adapter. Always verify all wires, wire colors and diagrams before applying any information found here to . I'm trying to install an alarm system'. But the problem that i am having is i bought i new clip for my wiring harness that was supposed to match with the original wires i had.

Fix it spare parts change electrical wiring diagram engine starting problem .

Does any one have have wiring diagram for the leather 8 way power driver's seat? Fix it spare parts change electrical wiring diagram engine starting problem . Use of the honda accord wiring information is at your own risk. How to install a radio without a wiring harness adapter. Always verify all wires, wire colors and diagrams before applying any information found here to . I do have all the proper schematics just . 2000 honda accord radio fuses & wiring. I would appreciate if anyone could provide me with the wiring diagram for a honda accord 2000 ex v6. I'm trying to install an alarm system'. But the problem that i am having is i bought i new clip for my wiring harness that was supposed to match with the original wires i had.

Always verify all wires, wire colors and diagrams before applying any information found here to . Use of the honda accord wiring information is at your own risk. 2000 honda accord radio fuses & wiring. I do have all the proper schematics just . I'm trying to install an alarm system'.

I do have all the proper schematics just . Madcomics 1996 Honda Accord Under Hood Fuse Box Diagram
Madcomics 1996 Honda Accord Under Hood Fuse Box Diagram from ww2.justanswer.com
I do have all the proper schematics just . Fix it spare parts change electrical wiring diagram engine starting problem . 2000 honda accord radio fuses & wiring. Use of the honda accord wiring information is at your own risk. Always verify all wires, wire colors and diagrams before applying any information found here to . I would appreciate if anyone could provide me with the wiring diagram for a honda accord 2000 ex v6. I'm trying to install an alarm system'. How to install a radio without a wiring harness adapter.

2000 honda accord radio fuses & wiring.

Use of the honda accord wiring information is at your own risk. I would appreciate if anyone could provide me with the wiring diagram for a honda accord 2000 ex v6. Fix it spare parts change electrical wiring diagram engine starting problem . 2000 honda accord radio fuses & wiring. Always verify all wires, wire colors and diagrams before applying any information found here to . But the problem that i am having is i bought i new clip for my wiring harness that was supposed to match with the original wires i had. I'm trying to install an alarm system'. I do have all the proper schematics just . Does any one have have wiring diagram for the leather 8 way power driver's seat? How to install a radio without a wiring harness adapter.

2000 Accord Wiring Diagram : User Manual Ebook :. Fix it spare parts change electrical wiring diagram engine starting problem . I'm trying to install an alarm system'. 2000 honda accord radio fuses & wiring. How to install a radio without a wiring harness adapter. I do have all the proper schematics just .

0 comments:

Posting Komentar

 
Top